Georg Ohm
Georg Ohm WIP Claimed by Raghav Gupta

The Main Idea
Georg Ohm was a German who worked to discover a relationship between the potential difference across a resistor and the current. This was named after him, called Ohm's Law. The unit to measure resistance is named ohms after him as well.
Summary of Ohm
Georg Ohm was born in 1789 in Erlangen, Bavaria in Germany. He is the brother of famous mathematician Martin Ohm. Ohm attended Erlangen University before becoming a professor. During his time as a professor at Jesuits' College at Cologne, Ohm published a pamphlet called Die galvanische Kette, mathematisch bearbeitet (1827; The Galvanic Circuit Investigated Mathematically) which contained his findings about the current through a conductor. However, many people did not accept this law so Ohm left his job at Cologne. After almost 15 years, Ohm was given the Copley Medal by the Royal Society of London in 1841. Ohm soon started gaining recognition from German scientists and continued to gain recognition until his death in 1854.
A Mathematical Model
Ohm had a simple equation. His equation can be modeled as [math]\displaystyle{ {ΔV} = {I}{R} }[/math] where ΔV is the total potential drop across a resistor (measured in volts), I is the current across a particular resistor (measured in amps) and R is the resistance of the resistor across which current is travelling (measured in ohms).
Examples
[math]\displaystyle{ {ΔV}_{battery} = {I}{R} }[/math]
Be sure to show all steps in your solution and include diagrams whenever possible
Simple

What is the current in this system?
[math]\displaystyle{ {ΔV}_{battery} = {I}{R} }[/math] R = 5 Ohms V = 10 Volts
[math]\displaystyle{ {I} = {ΔV}_{battery}/{R} }[/math]
I = 10 Volts/5 Ohms = 2 Amperes
Middling

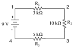
What is the current in this system?
You need to use the loop rule to help solve this ([math]\displaystyle{ {ΔV}_{loop}={0} }[/math])
[math]\displaystyle{ {ΔV}_{battery} = {I}{R}_{1} + {I}{R}_{2} + {I}{R}_{3} }[/math]
[math]\displaystyle{ {I} = {ΔV}_{battery}/({R}_{1} + {R}_{2} + {R}_{3}) }[/math]
[math]\displaystyle{ V }[/math] = 9 Volts [math]\displaystyle{ {R}_{1} }[/math] = 3 kilo Ohms [math]\displaystyle{ {R}_{2} }[/math] = 10 kilo Ohms [math]\displaystyle{ {R}_{3} }[/math] = 5 kilo Ohms
[math]\displaystyle{ {I} = {(9/(3000+10000+5000))} = {.0005} }[/math] Amperes
Difficult
https://www.youtube.com/watch?v=WwGstDT9HR8
Connectedness
Circuits are very intriguing to me. I don't understand them completely but it makes sense to think about Ohm's Law. It is also very good that Ohm developed his law because it is used in nearly all modern circuitry. This is also very closely related to my major because every engineer needs to have some understanding of circuits and it is impossible to understand circuits without Ohm's findings. In almost every electric device, there are circuits that involve some kind of resistor, current and voltage. The relation between these would be impossible to understand without Ohm's laws.
See also
External links
http://www.hamuniverse.com/ohmslaw.html
http://www.physicsclassroom.com/class/circuits/Lesson-4/Combination-Circuits
References
https://en.wikipedia.org/wiki/Georg_Ohm